Траверса ТМ-2 служит для выполнения крепления неизолированных проводов к стойкам в случае проведения ЛЭП 10 кВ в ненаселенной местности. Производят траверсы ТМ-2 из высококачественной углеродистой стали по типовому проекту 3.407.1-143.8.2. В качестве антикоррозийного покрытия используют покрытие битумным лаком БТ-577.
Штыри, расположенные на траверсе ТМ-2, служат для присоединения изоляторов штыревого типа: ШФ-10Г, ШС-10Д и ШФ20-В. Для крепления изоляторов следует применять колпачки (К-6, КП-22, К-9, К-7). Крепление провода к изоляторам осуществляется спиральной или проволочной вязками.
К стойке ЛЭП траверса ТМ-2 крепится хомутом серии Х-1, заказ и доставка которого осуществляются отдельно.
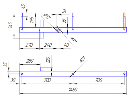
Габариты изделия: 140х1495х1460мм.
Вес: 10.9 кг
Спецификация траверсы ТМ-2:
| ПОЗИЦИЯ | НАИМЕНОВАНИЕ ДЕТАЛИ | КОЛИЧЕСТВО | МАССА, КГ |
| 1 | Уголок 70х70х5 ГОСТ8509-86 | 1 | 10.9 |
| 2 | Уголок 50х50х5 ГОСТ8509-86 | 1 | |
| 3 | Штырь Ш-20-2-К-30 ГОСТ 34-13-931-86 | 3 |
