от 1 698 ₽
Нашли дешевле?
Наличие уточняйте у наших менеджеров
Цены
Траверса ТН-4 (Zn)
2 792 ₽
/шт Траверса ТН-4 (эмаль)
1 698 ₽
/шт
Описание
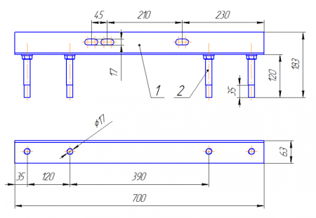
Траверсы ТН-4 производится согласно типового проекта 3.407.1-136 выпуск 1 (лист 3.407.1-136.08.01)
Траверса ТН-4 используется в случае двойного крепления проводов при установке опор ЛЭП напряжением 0,4 кВ. К траверсе приварены штыри Ш16-С-25, на которые устанавливаются изоляторы типа НС-18а. Крепление изоляторов выполняется колпачками К-5. На траверсе имеются овальные отверстия, предназначенные для крепления траверсы ТН-4 на различных стойках хомутами. Тип хомута выбирается по стойке. К стойке С95 крепление выполняется хомутом Х-10, а со стойкой СВ105 используется хомут Х-42. В комплект поставки траверсы хомут не включается. В случае необходимости хомут заказывается отдельно.
Габариты изделия: 63х183х700 мм
Вес: 4.7 кг
Спецификация траверсы ТН-4:
|
НАИМЕНОВАНИЕ ДЕТАЛИ |
КОЛИЧЕСТВО |
МАССА, КГ | |
| 1 |
Уголок 63х63х5 ГОСТ8509-72 L=100 |
1 |
4.70 |
|
| 2 | Штырь Ш=16 К=5 | 4 |
