от 796 ₽
Нашли дешевле?
Наличие уточняйте у наших менеджеров
Цены
Траверса ТН-3 (Zn)
1 313 ₽
/шт Траверса ТН-3 (эмаль)
796 ₽
/шт
Описание
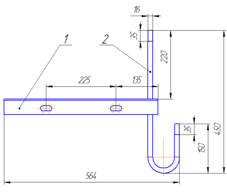
Траверсы ТН-3 выпускается по типовому проекту 3.407.1-136 выпуск 1 (лист 3.407.1-136.01.05)
С помощью траверсы ТН-3 осуществляется одинарное крепление проводов при установке опор низковольтных ЛЭП напряжением до 0,4 кВ. Крюк и штырь траверсы ТН-3 предназначены для установки изоляторов ТФ-20, НС-20, НФО-18 и фиксации их колпачками КП-18. Закрепление траверсы на опоре ЛЭП выполняется хомутами, поставляемыми по отдельному заказу. Подбор хомута производится в зависимости от вида опоры. Так, на опору СВ95 траверса ТН-3 крепится хомутом Х-10, а на опору СВ105 - хомутом Х-42.
Вес: 2,2 кг
Спецификация траверсы ТН-3:
|
НАИМЕНОВАНИЕ ДЕТАЛИ |
КОЛИЧЕСТВО |
МАССА, КГ | |
| 1 |
Уголок 50х50х4 ГОСТ8509-72 L=375 |
1 |
2.20 |
|
| 2 | Круг 16 ГОСТ2590-71 L=635 | 2 |
