от 9 112 ₽
Нашли дешевле?
Наличие уточняйте у наших менеджеров
Цены
Надставка ТС-4 (Zn)
15 032 ₽
/шт Надставка ТС-4 (эмаль)
9 112 ₽
/шт
Описание
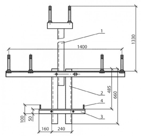
Надставка ТС-4 используется в местах, где требуется увеличить высоту ЛЭП, например, при пересечении с высокими инженерными сооружениями и другими ЛЭП номинальынм напряжением от 6 кВ до 10 кВ. Надставка позволяет обеспечить соблюдение требований безопасности при использовании неизолированных и изолированных проводов.
Вес: 30,3 кг
Вес: 30,3 кг
Спецификация надставки ТС-4:
|
ПОЗИЦИЯ |
НАИМЕНОВАНИЕ ДЕТАЛИ | КОЛИЧЕСТВО | МАССА, КГ |
| 1 | Траверса ТМ-3 | 1 | 30,3 |
| 2 |
Уголок 70х70х5 ГОСТ8509-86 |
2 | |
| 3 | Уголок 50х50х5 ГОСТ8509-86 | 1 | |
| 4 | Круг 10 ГОСТ2590-71 | 2 |
