Потери Х.Х., Вт - 2250
Потери К.З., Вт - 10800
Напряжение К.З. при 75°С, % - 6,0
Корректированный уровень звуковой мощности, дБА - 75
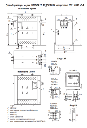
Размеры по чертежу:
L, мм=2145
B, мм=1360
H, мм=2130
A, мм=820
H1, мм=1720
H2, мм=1650
f, мм=50
E, мм=30
Потери К.З., Вт - 10800
Напряжение К.З. при 75°С, % - 6,0
Корректированный уровень звуковой мощности, дБА - 75
Размеры по чертежу:
L, мм=2145
B, мм=1360
H, мм=2130
A, мм=820
H1, мм=1720
H2, мм=1650
f, мм=50
E, мм=30
Документы
7a553373218c6eea82317eb4d5c4604f
109,6 кб
Мощность трансформатора, кВА
1250
Схема соединения обмоток
У/Ун-0
U перв. обмотки, В
6000
U втор. обмотки, В
400
Количество фаз
3
Материал обмоток трансформатора
Al
Габаритные размеры ДхШхВ, мм
2145x1360x2130
Масса, кг
3250
