Потери Х.Х., Вт - 650
Потери К.З., Вт - 2200
Напряжение К.З. при 75°С, % - 4,0
Корректированный уровень звуковой мощности, дБА - 62
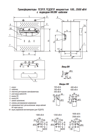
Размеры по чертежу:
L, мм=1340
B, мм=1250
H, мм=1530
A, мм=660
H1, мм=960
H2, мм=570
b, мм=300
f, мм=35
E, мм=95
Потери К.З., Вт - 2200
Напряжение К.З. при 75°С, % - 4,0
Корректированный уровень звуковой мощности, дБА - 62
Размеры по чертежу:
L, мм=1340
B, мм=1250
H, мм=1530
A, мм=660
H1, мм=960
H2, мм=570
b, мм=300
f, мм=35
E, мм=95
Документы
ac0007cf297b79727a375f7015d0b8cc
94,7 кб
Мощность трансформатора, кВА
160
Схема соединения обмоток
У/Ун-0
U перв. обмотки, В
6300
U втор. обмотки, В
400
Количество фаз
3
Материал обмоток трансформатора
Al
Габаритные размеры ДхШхВ, мм
1340х1250х1530
Масса, кг
900
